(一)滤波器在变频驱动系统中的应用简介
(1) 为什麽要选用滤波器?
当前中国工业用电量越来越大,能源短缺问题日益突出,节能变成目前的课题,工业控制中的变频驱动是节能的利器。现在变频器使用越来越广泛,但是变频器在工作的时候,PWM的工作方式向电网引入了大量的高次谐波,对电网造成了严重的电磁污染,造成并联在电网上的其他电子设备无法正常工作,形成电磁干扰。另一方面中国电网的质量非常差,用户在使用变频器时经常遇到问题,摸不到头绪,如,变频器烧掉前端整流部分、多台变频器并联使用时莫名其妙的死机无法工作、变频器反复的重启动、控制系统的误报警、控制总线的误动作、变频器工作时其他系统无法正常工作等等。所有的问题都是电磁干扰 (EMI) 问题,使用滤波器就是最好的解决问题方案,经过大量的实验分析,滤波器可以使故障率从4%减少到2‰,满足相关的国家法规要求.
我们公司的电磁兼容专家,专门针对变频驱动中的电磁兼容问题,提出了下面的解决方案。
(2)滤波器的典型应用及选用指南:

滤波器和变频器的电路连接图示:

① 保险丝 ②交流接触器 ③输入电抗器 ④ RFI滤波器 ⑤变频器
⑥输出电抗器或输出滤波器或正弦波滤波器 ⑦马达 ⑧地线汇流排
变频器输入部分的选择:
变频器电磁兼容要求 | 变频器输入端可选器件 | ||||
浪涌电压抑制器 | 电抗线圈 | RFI 滤波器 | 主滤波器 A | 主滤波器B | |
无任何需要 | |||||
减少跃变电流及低频谐波 | ● | ||||
减少电磁干扰 (EMI) A级 | ● | ○E | ○E | ||
减少电磁干扰 (EMI) B级 | ● | ○E | |||
减少电磁干扰(EMI) A级 减少输入主电流及谐波 | ● | ● | ○E | ○E | |
减少电磁干扰(EMI)B级 减少输入主电流及谐波 | ● | ● | ○E | ||
抑制电压突变及浪涌保护 | ●E | ||||
○ = 可选的 ● = 必需的 E= 表现优良的
变频器输出部分的选择:
变频器电磁兼容要求 | 变频器输出端可选器件 | |||
输出电抗器 | RFI输出滤波器 | 正弦波滤波器 | ||
抑制射频辐射干扰 | ● | ○ | ||
抑制马达轴向电流 | ● | ● | ○E | |
消除长线电缆行波干扰 | ● | ○ | ||
减小马达工作温度 | ● | ○ | ||
○ = 可选的 ● = 必需的 E= 表现优良的(excellent)
变频器信号线滤波器部分的选择:
变频器电磁兼容要求 | 变频器信号滤波器可选器件 | |||
高频铁氧体磁珠 | 高频铁氧体磁环 | 信号滤波器 | ||
控制面板外引线 | ● | ● | ||
变频器采样回馈信号 | ● | ● | ○E | |
现场控制总线 | ● | ● | ○ | |
电路控制板设计 | ● | ○ | ||
○ = 可选的 ● = 必需的 E= 表现优良的(excellent)
(3)变频驱动系统电磁兼容的测试规范及方法:
引用标准:EN55011 FOR INDUSTRIES SCIENTIFIC AND MEDICAL (ISM)

A级用于工业领域,25A内属于G1,25-100A属于G2。B级用于家庭办公室以及特殊要求
变频器电磁兼容测试设备过程及测试曲线比较:

LISN 为人工电源网络,提供标准的50欧姆的匹配阻抗,并且负责把干扰噪音提取出来;接收机为专用的电磁兼容分析仪,有标准的峰值、平均值、准峰值检波方式。
外形尺寸图

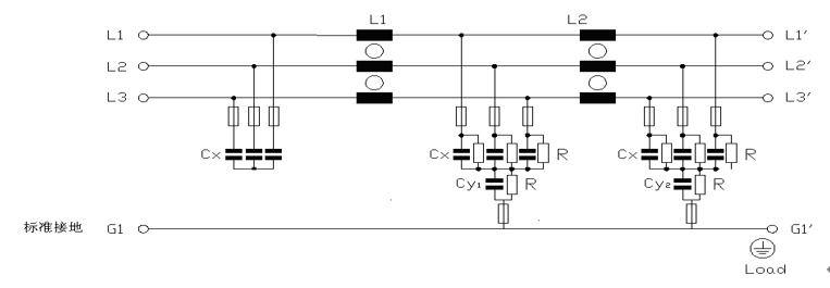
电路原理图

尺寸对照表

